装配式剪力墙结构施工过程经验总结,太实用了!
作者:而立居士发布时间:2022-05-27分类:施工技术浏览:1483评论:0
导读:1预制构件进场验收1)所有构件进场后,应依据规范逐块验收,包括外观质量、几何尺寸、预埋件、预留孔洞等,发现不合格应予以处理;2)所有无吊装环的预制构件应要求厂家对吊装点进行红油漆...
1 预制构件进场验收


2 预制构件吊装方式

3 竖向预制墙体连接钢筋定位措施

4 现浇层与装配层过度插筋

5 竖向墙体连接灌浆(分仓)

6 竖向墙体连接灌浆(封仓)

6 竖向墙体连接灌浆(灌浆)


6 竖向墙体连接灌浆(漏浆处理)

6 竖向墙体连接灌浆(不出浆处理)

7 预制墙体与现浇墙体连接螺栓

8 预制墙体相交处模板做法

9 预制外墙板构件止水企口做法

10 预制墙体平窗洞口设置企口

11 预制飘窗板设置企口

12 叠合板端支座防漏浆措施

13 叠合板支撑体系(独立支撑)

13 叠合板支撑体系(非独立支撑)


14 叠合板与现浇板连接支模


14 叠合板上部钢筋绑扎

15 叠合板安装与梁主筋交叉处处理


16 叠合板后浇带形式接缝构造




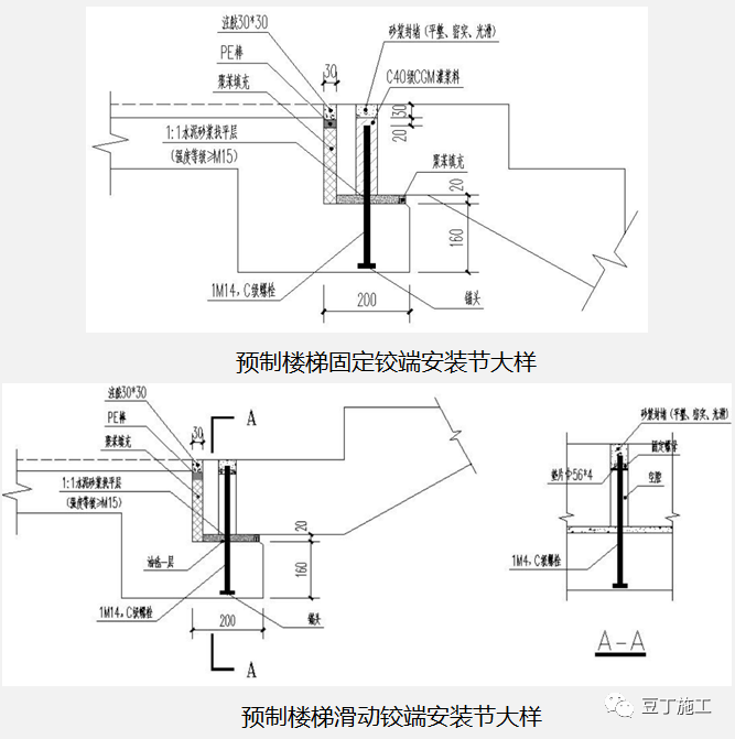
17 预制楼梯连接方法

18 预制楼梯标高控制


19 预制飘窗板及阳台板支模方案

20 竖向墙体连接灌浆(不出浆处理)





本篇文章来源于微信公众号: 豆丁施工
相关推荐
欢迎 你 发表评论:
- 施工技术排行
- 公益广告(请勿拦截)
-
- 最近发表
-
- 关于印发《山东省房屋建筑和市政基础设施工程造价咨询服务招标文件示范文-济南版》(2025年版)的通知
- 不踩评审红线!实验室体系运行必备记录全梳理
- 山东省住房和城乡建设厅关于山东德鑫检测技术有限公司等2家机构不予行政许可决定的公告
- 山东省市场监督管理局关于2025年资质认定检验检测机构能力验证(第二次)结果的通报
- 关于济南市2025年度建设工程职务中级、高级评审委员会评审通过人员 异议期公示的通知
- 山东省住房和城乡建设厅关于发布《山东省住房城乡建设科技成果评价导则》的通知
- 市场监管总局办公厅关于印发《市场监管总局检验检测机构资质认定评审人员管理办法实施细则》的通知
- 关于举办2025年度工程勘察设计质量管理小组活动成果大赛的通知
- 山东省住房和城乡建设厅关于发布《山东省建设工程消防设计审查验收疑难解析2.0》的通知
- 关于公开征求《关于进一步加强房屋安全鉴定行业管理工作的通知(征求意见稿)》意见的通知
- 信息统计
-
- 文章总数:1568
- 页面总数:10
- 分类总数:44
- 标签总数:11
- 评论总数:150
- 浏览总数:2155632





微信扫一扫,打赏作者吧~












